Vitajte na našom eshope aramiso.sk
Kotvenie bočné - platňa
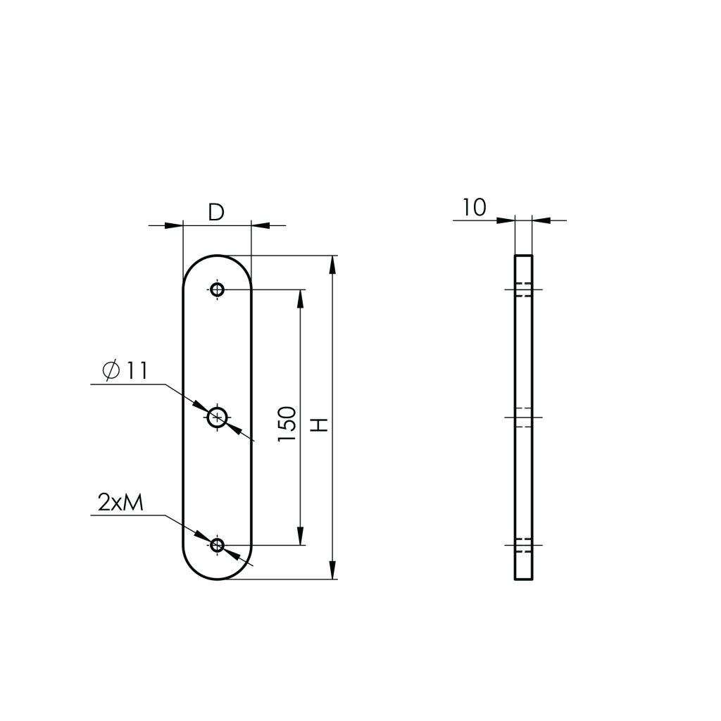
Kód: A/2747-000 PLATE T10MM
Máme skladom 99,9 % produktov
Od pohonov cez Wi-Fi ovládače až po fotobunky. Stačí si vybrať.

Už 15 rokov zbierame skúsenosti
Naša dlhoročná prax je zárukou, že vždy nájdeme to najlepšie riešenie pre vás.
Související produkty
Detailní popis produktu
Platňa pre bočne kotvenie sa zvyčajne kombinuje s bodovými držiakmi skla A/0747-000, A/0747-200, A/0747-300, A/0747-400, A/0747-500, A/0747-FLEX2, to znamená, že umožňuje vytvárať rôzne kombinácie v závislosti od situácie použitia. Používa sa na upevnenie sklenenej výplne do rôznych konštrukcií, ako sú napríklad zábradlia, balustrády, dvere alebo steny. Majú formu plochej platne s niekoľkými bodovými držiakmi, na ktoré je umiestnené sklo. Tieto bodové držiaky skla umožňujú pevné upevnenie sklenenej výplne a zároveň minimalizujú vizuálne rušenie, pretože sú umiestnené len na okrajoch skla. Kotviaca platňa s bodovými držiakmi skla je často používaná v moderných architektonických aplikáciách, kde je dôležité dosiahnuť čistý a elegantný vzhľad a zároveň zabezpečiť bezpečné upevnenie sklenenej výplne.Doplňkové parametry
| Kategorie: | Dvojbodový držiak |
|---|---|
| Hmotnost: | 0.7 kg |
| Materiál: | Nerez AISI 304 |
| Povrchová úprava: | Brus |
| Kotvenie: | Z boku |
| H: | 200 |
| D1: | 50 |
| M: | 10 |
.png)

